Главные преимущества сервиса
- высокая скорость работы
- индивидуальные настройки
- сервис бесплатных объявлений
- удобная выдача результатов
- алгоритм «заказать всё и сразу»
- поиск работы и работников
- быстрое принятие решений
- сохранение истории заказов
- гарантия актуальности цен
eFaster – самый быстрый сервис поиска радиоэлектронных компонентов и изделий электронной техники.*
Сервис предназначен для оперативного поиска необходимых компонентов и материалов, и обладает рядом уникальных преимуществ, значительно облегчающих процесс. Участниками сервиса являются СОТНИ Российских и зарубежных Компаний - производители и поставщики электроники, а общее кол-во позиций превышает 25.000.000 наименований.
Кроме того, eFaster предоставляет пользователям расширенный БЕСПЛАТНЫЙ функционал - возможность размещения заказов "СРАЗУ ВСЕМ", размещение объявлений "куплю-продам", поиска работы и работников, личный кабинет продавца и покупателя, рейтинг поставщиков, систему отзывов, историю заказов, и многое другое, а также гарантирует актуальность цен и условий поставки.
Прямо сейчас протестируйте сервис - введите в строку поиска (выше) наименование необходимой позиции (или воспользуйтесь "мультипоиском") - убедитесь в скорости и удобстве работы системы.
* по результатам тестирования скорости поиска в таблице выше.
Новости сервиса
-
Высокоскоростная передача данных на большие расстояния
Соотношение скорости передачи данных и длины кабеля современных высокоскоростных каналов передачи данных RS-485 достигает предельных...
18.03.2026 Читать далее -
Самолеты в Дагестане будут ориентироваться по оборудованию Ростеха
В аэропорту Махачкалы установлен высокотехнологичный доплеровский радиомаяк DVOR 2000/DME/N 2700 Компания «Азимут» Госкорпорации...
18.03.2026 Читать далее -
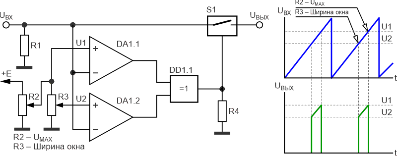
Дистанционное регулирование мощности в низковольтной нагрузке. Часть 2 - Цифра нам в помощь!
В первой части статьи [1] мы рассмотрели простейший способ трехпозиционного дистанционного управления мощностью устройств,...
18.03.2026 Читать далее
ООО «Мегател», ИНН 3666086782, ОГРН 1033600037020
