О сервисе eFaster
КРЭТ представил настенную зарядную станцию для электромобилей
Зарядные станции «ФОРА» производства Рязанского приборостроительного завода, входящего в АО «КРЭТ» Госкорпорации Ростех,...
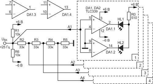
Универсальный логический элемент на одном транзисторе
Предложена схема пассивного диодно-резистивного логического элемента OR/AND с неограниченным числом входов и имеющего выходы OR и AND,...
«Росэлектроника» выводит на рынок промышленные газоанализаторы нового поколения
Холдинг «Росэлектроника» Госкорпорации Ростех разработал портативный газоанализатор, способный измерять концентрацию до шести...
Компания «ЭФО» предлагает разработчикам и производителям электронной аппаратуры оригинальные DC/DC-конвертеры компании VICOR...
Простой логометрический метод измерения очень малых сопротивлений
Возможно, наиболее распространенными приложениями для очень низкоомных резисторов (например, миллиомы и меньше) являются схемы...
Ростех нарастил производство комплектующих для микросхем
Обнинское научно-производственное предприятие «Технология» им. А.Г. Ромашина Госкорпорации Ростех почти в три раза увеличило...
Делаем самое маленькое IoT устройство на ESP8266-01
В этом проекте мы будем использовать плату ESP8266-01 Wi-Fi, чтобы создать небольшое устройство интернета вещей (IoT) для домашней...
В НИЯУ МИФИ сделан новый шаг к созданию отечественной радиофотоники
Сотрудники ИНТЭЛ НИЯУ МИФИ создали многоуровневую модель, позволяющую корректно описать взаимодействие оптической, СВЧ и электронной...
На складе КОМПЭЛ уже готовы к поставке популярные модели литиевых батареек FANSO EVE Energy
На складе КОМПЭЛ уже готовы к поставке одни из самых востребованных литиевых батареек типов ER и CR производства FANSO EVE Energy – одного из...
Прецизионный усилитель с синхронным детектированием для измерения низких напряжений
В этой статье представлена практическая схема, в которой для усиления малых постоянных напряжений с высокой линейностью и...
Дизайн-центр Mephius включен в государственный проект по импортозамещению
Минпромторг России включил Дизайн-центр микроэлектроники полного цикла Mephius, созданный на базе НИЯУ МИФИ, в состав индустриального...
Контроллер резонансного преобразователя на основе одной микросхемы и ждущего мультивибратора
Резонансные источники питания популярны из-за высокого КПД, низкого уровня помех и компактности. Реализовать резонансный понижающий...
ООО «Мегател», ИНН 3666086782, ОГРН 1033600037020
Добавить свое объявление
* заполните обязательные данные
Статистика eFaster:
Продолжая использовать веб-сайт без изменения настроек браузера, вы выражаете согласие на использование cookie-файлов в соответствии с настоящей Политикой использования cookie-файлов.