На протяжении десятилетий меня неизменно увлекали преобразователи напряжения в частоту и аналоговый таймер 555, а потому я был вдвойне одержим преобразователями, построенными на базе этой микросхемы. Более того, моя самая первая статья для рубрики «Конструкторские идеи» 1974 года была посвящена как раз такому преобразователю напряжение-частота (ПНЧ) на таймере 555. Она была не только опубликована, но и признана лучшей «Идеей года». Вот так я и увлекся этим навсегда.
Представленная здесь простая схема ПНЧ на базе таймера 555, насколько мне известно, и как бы невероятно это ни звучало для такой *кхм* «зрелой» микросхемы, как 555, является новаторской. Она работает с хорошей линейностью и точностью на частоте 1 МГц, но может работать еще быстрее. Это в 100 раз быстрее, чем тот преобразователь на таймере 555 1974 года.
Надеюсь, вам будут интересны подробности. Вот как это работает. История начинается с Рисунка 1.
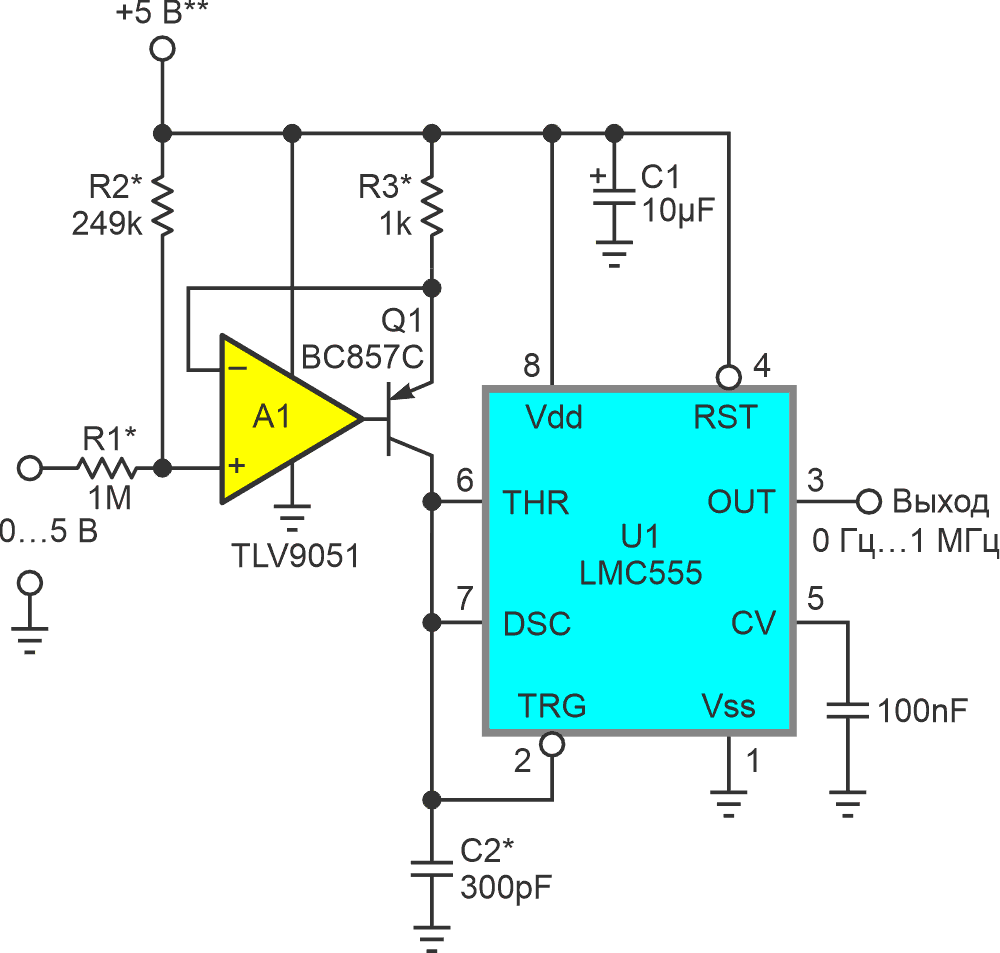
![]() | |
| Рисунок 1. | Компоненты, отмеченные звездочкой, являются прецизионными, в том числе источник питания +5 В, но чего-то не хватает. |
Во входном источнике тока, состоящем из усилителя A1, транзистора Q1 и окружающих элементов, нет ничего нового. Он подает в преобразователь ток-частота на микросхеме U1 ток от 0 до 1 мА, пропорциональный входному напряжению, масштабируемый и смещаемый резисторами R1 и R2. Указанные на схеме номиналы компонентов задают диапазон входных напряжений от 0 до +5 В. При R1 = 1.8 МОм и R2 = 200 кОм диапазон составлял бы от –5 В до +5 В.
Добавление конденсатора параллельно резистору R2 обеспечил бы дополнительное подавление помех. Впрочем, помехоустойчивость, присущая аналого-цифровому преобразованию с использованием ПНЧ, достаточно высока, поэтому, вероятно, он вам не понадобится.
![]() | |
| Рисунок 2. | Нелинейная красная кривая в сравнении с идеальной черной показывает погрешность из-за внутренней задержки LMC555 около 20%. |
Дальше в схеме начинаются странности, потому что отсутствуют два обычных резистора, типичных для генераторов на микросхеме 555. Также отсутствует обычный для автоколебательного генератора на таймере 555 пиковый размах в 1/3VDD. Эта топология генерирует линейно нарастающие пилообразные импульсы с пиковым значением 2/3VDD, которые сбрасываются не до VDD/3, а до нуля. К сожалению, хотя линейность пилы хороша, из-за внутренних задержек переключения в микросхеме U1 (TD) зависимость частоты от тока транзистора Q1 (IQ1) не очень линейна. На Рисунке 2 показано, насколько это плохо.
Частота генерации равна

где
VTH – напряжение на выводе THR,
IR3 – ток резистора R3.
К счастью, как недавно было показано в другой статье «Улучшение линейности регулировки частоты генератора на таймере 555» [1], это легко исправить.
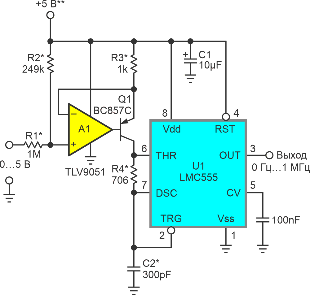
Решение состоит из единственного резистора R4, включенного между выводами DSC (разряд) и THR (порог). Резистор R4 используется для линеаризации зависимости тока от частоты путем смещения вывода THR вверх на напряжение, равное ICR4. Это сокращает длительность нарастающего участка пилообразного импульса и, следовательно, период пилообразного сигнала на ту же величину, на которую его удлиняют задержки:

Таким образом, если сопротивление R4 выбрано таким, что R4C2 = TD, как показано на Рисунке 3, компенсация нелинейности будет (по крайней мере, теоретически) полной во всем диапазоне управляющих токов IC. Частота генератора (FO) для этой схемы:

![]() | |
| Рисунок 3. | Компенсация нелинейности, вносимой внутренними задержками таймера 555, когда R4C2 = TD = 212 нс. |
Теперь FO будет линейно отслеживать IQ1 а, следовательно, и входное напряжение VIN, как показано на Рисунке 4.
![]() | |
| Рисунок 4. | Нелинейность исчезнет, если R4 = TD/C2 = 212 нс/300 пФ = 706 Ом. |






