Оптоэлектронные элементы бесприоритетной логики

Журнал РАДИОЛОЦМАН, март 2020

Михаил Шустов, г. Томск

В развитие опубликованных ранее схем элементов бесприоритетной логики приведены варианты их оптоэлектронного исполнения. Приведен пример практического использования оптоэлектронного элемента «ТОЛЬКО ОДИН ИЗ ВСЕХ».

По определению элементы бесприоритетной логики имеют n входов (n ≥ 2) и столько же им отвечающих выходов. При подаче на входы таких элементов n сигналов уровня логической единицы входные сигналы могут проходить на соответствующие выходы только при реализации определенных условий, обусловленных назначением элемента [1–5].

  • Элемент «ТОЛЬКО ВСЕ» («ONLY ALL»):
    Обеспечивает только одновременное прохождение с соответствующего входа на отвечающий ему выход сигналов, совпадающих по времени на всех его входах.
     
  • Элемент «КРОМЕ ВСЕХ» («EXCEPT FOR ALL»):
    Обеспечивает прохождение сигналов с входов элемента на его выходы только при условии, что все сигналы на его входах не совпадают во времени. В случае, если все n входных сигналов совпадут во времени, элемент запретит их прохождение.
     
  • Элемент «ТОЛЬКО ОДИН ИЗ ВСЕХ» («ONLY ONE»):
    Обеспечивает прохождение только одного из n сигналов с входа элемента на соответствующий ему выход. При условии совпадения во времени двух или более входных сигналов, элемент «ТОЛЬКО ОДИН ИЗ ВСЕХ» не пропустит на выходы ни один из входных сигналов.

Один из первых примеров практического использования элемента бесприоритетной логики «ТОЛЬКО ОДИН ИЗ ВСЕХ» был приведен в работе [1] и использован для обеспечения возможности работы радиопередающего устройства от единственного из нескольких альтернативных источников речевого сигнала.

Оптоэлектронные элементы «ТОЛЬКО ВСЕ» («ONLY ALL») и «ТОЛЬКО ВСЕ - НЕ» («ONLY ALL - NOT»).
Рисунок 1. Оптоэлектронные элементы «ТОЛЬКО ВСЕ» («ONLY ALL») и «ТОЛЬКО ВСЕ – НЕ»
(«ONLY ALL – NOT»).

Как известно, элементы бесприоритетной логики могут быть синтезированы из элементов традиционной логики [2–5], однако использование средств оптоэлектроники позволяет реализовать подобные элементы более простым образом (Рисунки 1–3).

Так, например, четырехвходовый оптоэлектронный элемент «ТОЛЬКО ВСЕ» («ONLY ALL»), а также элемент «ТОЛЬКО ВСЕ – НЕ» («ONLY ALL – NOT»), Рисунок 1, состоит из цепей:

  1. входных (совокупность токоограничивающих резисторов R1–R4 и светодиодов DA1.1–DA4.1);
  2. выходных (резисторы R5 и R6 и фотодиоды DA1.2–DA4.2);
  3. коммутации входных сигналов SA1.1–SA1.4.

Из анализа схемы элемента «ТОЛЬКО ВСЕ» («ONLY ALL») следует, что последовательно включенная цепочка фотодиодов DA1.2–DA4.2 будет находиться в токопроводящем условно замкнутом состоянии только в том случае, если на все входы логического элемента будут поданы сигналы, отвечающие уровню логической единицы. Соответственно, в зависимости от положения переключателя S1.1/S1.2, на управляющих входах коммутации входных сигналов SA1.1–SA1.4 произойдет смена уровня логического сигнала.

Переключатель инверсии S1.1/S1.2 показан условно для иллюстрации того, что путем переключения выходов оптоэлектронного элемента можно получить на его выходе как инвертированный, так и неинвертированный сигналы. Таблица истинности на Рисунке 1 характеризует соотношение входных и выходных сигналов оптоэлектронного элемента.

Соответствующие электрические схемы, обозначения оптоэлектронных элементов бесприоритетной логики и их таблицы истинности приведены на Рисунках 2–4.

Суммарное количество светоизлучающих элементов (светодиодов) и фотоприемников (например, фотодиодов) N в оптоэлектронных элементах «ТОЛЬКО ОДИН ИЗ ВСЕХ» («ONLY ONE»), имеющих n входов, можно определить как N = n(n+1), или n светодиодов плюс n2 фотодиодов. Например, для двухвходового элемента N = 6, для трехвходового – 12, для четырехвходового – 20, для пятивходового – 30 и т.д.

Элементы «ТОЛЬКО ВСЕ» («ONLY ALL») содержат n светодиодов и n фотодиодов.

Элементы «КРОМЕ ВСЕХ» («EXCEPT FOR ALL») содержат n светодиодов и 2n фотодиодов.

Работа оптоэлектронных элементов «КРОМЕ ВСЕХ» («EXCEPT FOR ALL») и «КРОМЕ ВСЕХ – НЕ» («EXCEPT FOR ALL – NOT»), Рисунок 2, характеризуется следующим образом. При поступлении сигналов логического уровня единицы на любые из входов логического элемента сигнал соответствующего или инвертированного уровня транслируется на соответствующий его выход. Ситуация меняется в корне, стоит подать на все входы логического элемента сигналы уровня логической единицы. В этом случае последовательно включенная цепочка фотодиодов DA1.3, DA2.3, DA3.3, DA4.3 закоротит управляющие входы коммутации входных сигналов SA1.1–SA1.4.

Оптоэлектронные элементы «КРОМЕ ВСЕХ» («EXCEPT FOR ALL») и «КРОМЕ ВСЕХ - НЕ» («EXCEPT FOR ALL - NOT»).
Рисунок 2. Оптоэлектронные элементы «КРОМЕ ВСЕХ» («EXCEPT FOR ALL») и «КРОМЕ ВСЕХ – НЕ»
(«EXCEPT FOR ALL – NOT»).

Наиболее сложный элемент бесприоритетной логики «ТОЛЬКО ОДИН ИЗ ВСЕХ» («ONLY ONE») и «ТОЛЬКО ОДИН ИЗ ВСЕХ – НЕ» («ONLY ONE – NOT»), Рисунок 3, работает следующим образом. При наличии только на одном из входов логического элемента сигнала уровня логической единицы выходной сигнал появляется на выходе, соответствующем именно этому входу. Появление на любом ином входе управляющего сигнала заблокирует прохождение сигналов по всем выходам устройства.

Оптоэлектронные элементы «ТОЛЬКО ОДИН ИЗ ВСЕХ» («ONLY ONE») и «ТОЛЬКО ОДИН ИЗ ВСЕХ - НЕ» («ONLY ONE - NOT»). Таблица истинности приведена на Рисунке 4.
Рисунок 3. Оптоэлектронные элементы «ТОЛЬКО ОДИН ИЗ ВСЕХ» («ONLY ONE») и «ТОЛЬКО ОДИН
ИЗ ВСЕХ – НЕ» («ONLY ONE – NOT»). Таблица истинности приведена на Рисунке 4.

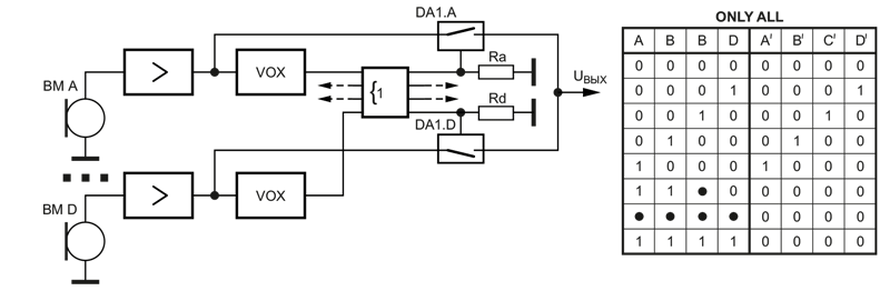
На Рисунке 4 приведен пример возможного практического использования элемента «ТОЛЬКО ОДИН ИЗ ВСЕХ» («ONLY ONE»). Устройство содержит несколько идентичных источников речевого или иного аналогового сигнала BM1 A – BM D, им отвечающих предусилителей, сигналы от которых поступают на входы ключей DA1.A–DA1.D, и устройств порогового преобразования аналоговых сигналов в цифровые – VOX (Voice Operated eXchange – управляемый голосом переключатель), сигналы от которых поступают на входы элемента «ТОЛЬКО ОДИН ИЗ ВСЕХ» («ONLY ONE»). Выходные сигналы с этого элемента подаются на управляющие выводы ключей DA1.A–DA1.D, разрешая или запрещая прохождение сигналов на общий выход UВЫХ в соответствии с таблицей истинности, Рисунок 4.

Пример использования элемента «ТОЛЬКО ОДИН ИЗ ВСЕХ» («ONLY ONE»).
Рисунок 4. Пример использования элемента «ТОЛЬКО ОДИН ИЗ ВСЕХ» («ONLY ONE»).
  1. Шустов М.А. Схема MultiVOX для трансивера // Радиолюбитель. – 1993. – № 11. – С. 35–37.
  2. Шустов М.А. Элементы бесприоритетной логики // Автоматика, связь, информатика. – 2000. – № 3. – С. 44.
  3. Шустов М.А. Логические элементы «ТОЛЬКО ОДИН ИЗ ВСЕХ» // Радиолюбитель. – 2017. – № 3. – С. 6–7.
  4. Shustov M.A., Shustov A.M. Electronic Circuits for All. – London: Elektor International Media BV, 2017. – 397 p.; Elektronika za sve: Priručnik praktične elektronike. – Niš: Agencija EHO, 2018. – 392 St.
  5. Шустов М.А. Цифровая схемотехника. Основы построения. – СПб.: Наука и Техника, 2018. – 320 с.

ООО «Мегател», ИНН 3666086782, ОГРН 1033600037020

Добавить свое объявление

* заполните обязательные данные

Статистика eFaster:

посетило сегодня 1300
сейчас смотрят 32
представлено поставщиков 1166
загружено
позиций
25 067 862

Продолжая использовать веб-сайт без изменения настроек браузера, вы выражаете согласие на использование cookie-файлов в соответствии с настоящей Политикой использования cookie-файлов.