Рассмотрена возможность поочередной или одновременной передачи цифровой информации по двухпроводной линии. В первом случае для выделения принимаемой информации на каждом из концов линии передачи использована простейшая схема, содержащая логический элемент «Исключающее ИЛИ», а также диод. Во втором случае на каждом из концов линии использован по меньшей мере трехуровневый амплитудный селектор, а уровни входных напряжений цифровых сигналов соотносятся, например, как 1 к 2.
Передача цифровой информации по двухпроводной линии обычно не вызывает больших проблем при условии поочередной передачи сигналов от источника информации к приемнику на другом конце линии [1, 2]. В ряде случаев неудобство использования подобной линии связи вызывает то обстоятельство, что передаваемые сигналы одновременно регистрируются по обе стороны линии связи.
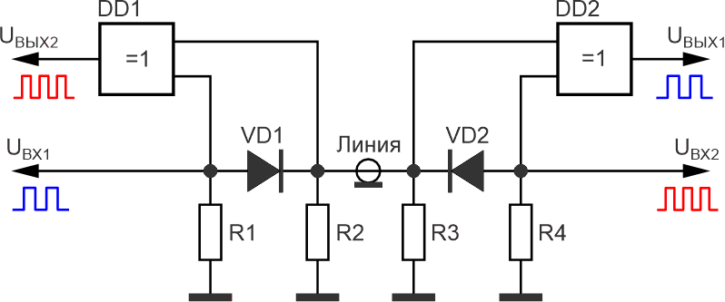
На Рисунке 1 показана несложная схема, позволяющая передавать цифровые сигналы с входа UВХ1 через линию связи на выход UВЫХ1 без дублирования передаваемого сигнала на выходе передающей стороны UВЫХ2. Соответственно, при прохождении сигнала с UВХ2 через линию связи на UВЫХ2 этот сигнал не будет дублироваться на UВЫХ1.
![]() | |
| Рисунок 1. | Электрическая схема реализации поочередной передачи цифровой информации по двухпроводной линии. |
Исключение дублирования сигналов обеспечивается за счет использования элементов DD1 и DD2 «Исключающее ИЛИ», а также диодов VD1 и VD2.
Так, например, в случае передачи цифрового сигнала с входа UВХ1 сигнал высокого логического уровня беспрепятственно проходит через диод VD1 и линию связи на приемную сторону. Поскольку на входах логического элемента DD1 одновременно присутствует сигнал высокого логического уровня, на выходе этого элемента сигнал отсутствует. Аналогично, сигнал на выходе элемента DD1 отсутствует, если сигнал на входе UВХ1 имеет уровень логического нуля.
В то же время, если на приемной стороне на катоде диода VD2 присутствует сигнал высокого логического уровня, а на аноде – низкого уровня, сигнал на выходе логического элемента DD2 имеет высокий логический уровень. Таким образом, сигнал на выходе этого элемента UВЫХ1 полностью повторяет сигнал передающей стороны, присутствующий на UВХ1.
Разумеется, использование столь простейшей схемы не позволяет одновременно обмениваться сигналами с той и другой стороны.
Решить проблему одновременного двухстороннего обмена цифровой информацией можно за счет использования многоуровневых амплитудных селекторов, настроенных в соответствии с изложенными в статье [3] правилами.
Базовый элемент селекции импульсов описан ранее в статье [3] и приведен на Рисунке 2.
![]() | |
| Рисунок 2. | Трехуровневый амплитудный селектор с возможностью раздельного выделения на его выходах сигналов, амплитуда которых на входе устройства относится как 1 к 2. |
Для реализации одновременного двухстороннего обмена информацией с использованием двух источников и двух приемников информации необходимо, чтобы амплитуда входных цифровых сигналов на той и другой стороне соотносилось как 1 к 2.
В этом случае при определенной настройке трехуровневого амплитудного селектора, как на стороне передачи, так и на стороне приема, можно избирательно выделить сигналы передающих сторон, Рисунок 3.
![]() | |
| Рисунок 3. | Электрическая схема реализации способа одновременной передачи цифровой информации по двухпроводной линии. Tx1, Tx2 (transmitter) – передатчики-источники информации. |
- Шустов М.А. Реверсивные регенераторы логического уровня. Радиомир, 2011, № 4, С. 14–15.
- Шустов М.А. Оптоэлектронный реверсивный канал передачи данных. РадиоЛоцман, 2020, № 1, С. 49–51.
- Шустов М.А. Многоканальная одновременная передача цифровой информации по двухпроводной линии. РадиоЛоцман, 2025, № 5–6, С. 12–15.





