После более чем пятидесяти лет непрекращающегося производства биполярных версий и половины этого периода производства КМОП, нет никаких оснований сомневаться в ценности и универсальности почтенного аналогового таймера 555. Но если у него и есть какой-то существенный недостаток, то он, вероятно, заключается в скорости работы. Тем не менее, в техническом описании LMC555 (хотя и в довольно невнятной сноске) говорится о впечатляющей скорости 3 МГц. Подробности (включая схему тестирования на частоте 3 МГц) приведены на Рисунке 6-2 на странице 6 технического описания 2024 года.
3 МГц для устаревшего, маломощного аналогового компонента, которому уже несколько десятилетий, – это совсем неплохо. Это позволяет предложить показанную на Рисунке 1 удивительно простую схему прецизионного 5-декадного генератора частотой 1 МГц, управляемого током, где:

Здесь
F – частота генератора,
VTH – напряжение на выводе THR,
IC – управляющий ток.
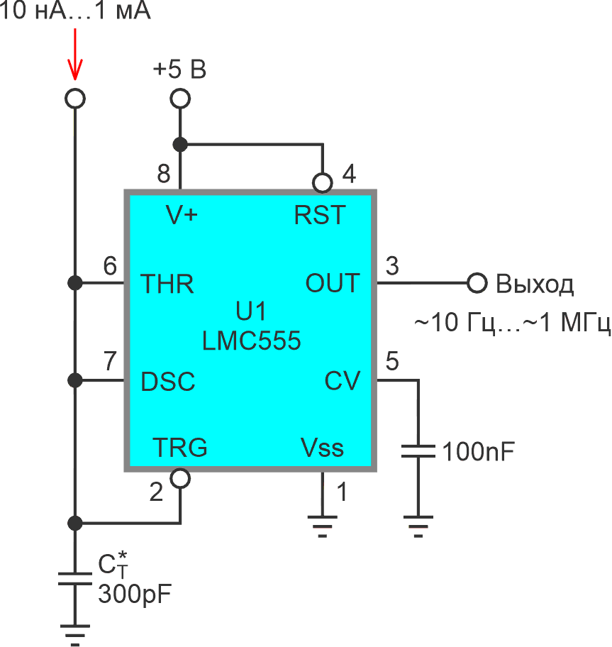
![]() | |
| Рисунок 1. | Сверхпростой 5-декадный генератор на таймере LMC555, управляемый током. |
Таймер LMC555 на Рисунке 1, всего с двумя внешними компонентами, выполняет функцию генератора, управляемого током. Он может похвастаться частотным диапазоном, охватывающим 5 декад – от 10 Гц до (приблизительно) 1 МГц. Круто!
Но постойте. Что это за «приблизительно»? Насколько это проблематично – и, главное, как это исправить, если это действительно проблема? Вот как.
Стандартная формула из технического описания для частоты колебаний (FO) микросхемы LMC555 имеет вид:

Однако на Рисунке 6-2, где представлена схема тестирования для частоты 3 МГц, указаны следующие значения: RA = 470 Ом, RB = 200 Ом и C = 200 пФ. Если подставить эти числа в расчетные формулы из технического описания, то постоянная времени RC будет равна 121 нс; следовательно, расчеты предсказывают, что частота генератора должна достигать не просто 3 МГц, а величины, почти в три раза большей.

Если 3 МГц – это максимальная скорость, на которую они способны, то что случилось с недостающими 5 МГц?
А случилось просто то, что, помимо явной внешней постоянной времени RC, равной 121 нс, внутри самого устройства существует неявная временнáя задержка (TD), равная:

Эти 212 нс внутренней задержки, хотя и достаточно короткие, чтобы обеспечить точность приведенных в технической документации расчетов для низких и средних частот, требуют внимания, если мы хотим, вдавив педаль в пол, максимально приблизиться к пределам диапазона в несколько МГц. Таким образом, практически полезная формула для точного прогнозирования высоких значений FO становится более похожей на

При построении графика эта формула дает «провисшую» красную кривую на Рисунке 2 с погрешностью более 20% при токе 10 мА; вместо ожидаемого 1 МГц реальное значение составляет лишь примерно 800 кГц. Что ж. Это довольно прискорбно.
![]() | |
| Рисунок 2. | Нелинейная красная кривая в сравнении с идеальной черной показывает погрешность из-за внутренней задержки LMC555 около 20%. Ось Y – выходная частота. Ось X – управляющий ток. |
К счастью, решение есть, и оно до смешного простое. Оно состоит всего лишь в добавлении одного резистора RLIN между выводами DSC (разряд) и THR (порог). Его работа заключается в линеаризации зависимости тока от частоты путем смещения вывода THR вверх на напряжение, равное ICRLIN. Это сокращает время нарастания пилообразного импульса на:

компенсируя, таким образом, внутренние задержки таймера 555.
![]() | |
| Рисунок 3. | Компенсация нелинейности, вносимой внутренними задержками таймера 555, когда RLINCT = TD = 212 нс. |
Следовательно, если сопротивление RLIN выбрано таким, что RLINCT = TD, как показано на Рисунке 3, компенсация нелинейности будет (по крайней мере, теоретически) полной во всем диапазоне управляющих токов, как показано на Рисунке 4. Примечание:

![]() | |
| Рисунок 4. | Нелинейность частоты колебаний становится пренебрежимо малой и может не учитываться, если RLIN = TD/CT = 212 нс/300 пФ = 706 Ом. |
Теоретически.
Тогда возникает вопрос: можно ли на основе этой теории разработать что-то практически полезное? Подробнее об этом – в ближайшее время.






