Показана возможность использования амплитудных селекторов в качестве своеобразных фильтров уровней напряжений и токов. По аналогии с частотными фильтрами фильтры уровней напряжений и токов можно подразделить на фильтры высоких или низких напряжений (токов), полосовых выделяющих или заграждающих фильтров, перестраиваемых фильтров и т.д. В отличие от частотных фильтров фильтры уровней напряжений и токов могут иметь практически прямоугольную характеристику. Такие фильтры могут быть использованы для создания новых источников питания, преобразователей напряжения, устройств защиты радиоэлектронной аппаратуры от повышенных или пониженных напряжений или токов.
Амплитудные селекторы – электронные устройства, предназначенные для разделения сигналов по их амплитуде. Амплитудные селекторы по своему назначению очень напоминают частотные фильтры, если частотные фильтры способны выделить из совокупности частот сигналы определенной частоты, то амплитудные селекторы могут выделить из совокупности амплитуд аналогового или цифрового сигнала сигналы определенной амплитуды.
Кстати, сам термин «Селектор» (латин. Selector) образован от глагола seligere, который переводится как «избирать», «выбирать», а термин «Фильтр» (латин. Filtrum) обозначает устройство, выделяющее или удаляющее из исходного объекта некоторую часть с заданными свойствами.
Продолжая аналогию, точно так же как для частотных фильтров известны полосовые фильтры, фильтры верхних, нижних частот и пр.; для амплитудных фильтров-селекторов можно выделить устройства аналогичного назначения, но с заменой термина «частоты» на «амплитуду».
В отличие от частотных фильтров амплитудные фильтры чаще всего имеют практически прямоугольную характеристику.
На Рисунке 1 приведена схема двухсекционного амплитудного фильтра-селектора или так называемого оконного компаратора, предназначенного для создания регулируемого пропускающего фильтра напряжений. Устройство содержит линейку из двух компараторов DA1.1 и DA1.2, логический элемент «Исключающее ИЛИ» DD1.1, а также ключевой элемент S1.
![]() | |
| Рисунок 1. | Использование двухсекционного амплитудного селектора для создания регулируемого пропускающего фильтра напряжений. |
При помощи потенциометра R2 можно установить максимально амплитуду пропускаемых на выход устройства сигналов, а регулировкой потенциометра R3 – ширину окна пропускания. Подобное устройство может быть использовано при создании баристорных источников питания [1–13]; выделения сигналов или импульсов определенного диапазона амплитуд; выделения полезного сигнала с отсечением шумовой компоненты и т.д.
Если к выходам компараторов DA1.1 и DA1.2, Рисунок 1, подключить вместо элемента «Исключающее ИЛИ» элемент «Исключающее ИЛИ-НЕ», Рисунок 2, можно получить регулируемый заграждающий фильтр напряжений.
![]() | |
| Рисунок 2. | Использование двухсекционного амплитудного селектора для создания регулируемого заграждающего фильтра напряжений. |
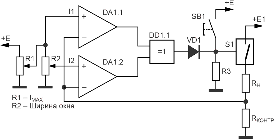
Амплитудные фильтры-селекторы можно использовать не только для фильтрации напряжений, но и токов, Рисунок 3. Как и ранее, регулировкой потенциометров можно задавать как максимально допустимую силу тока через нагрузку, так и определять диапазон токов (окно токов), протекающих через нагрузку. Для первоначального запуска (включения) устройства контроля необходимо кратковременно нажать кнопку SB1. Если сила тока, протекающего через нагрузку RН, не попадает в диапазон допустимых токов, заданных регулировкой потенциометров R1 и R2, устройство автоматически отключит нагрузку от источника питания.
![]() | |
| Рисунок 3. | Использование двухсекционного амплитудного селектора в качестве регулируемого пропускающего фильтра токов. |
До настоящего времени были рассмотрены двухсекционные амплитудные селекторы и их использование в качестве задатчиков диапазонов напряжений и токов. На Рисунке 4 показан пример использования вертикальной линейки компараторов для создания регулируемого многооконного фильтра напряжений с равномерным шагом разбиения диапазона. Максимальную амплитуду выходного напряжения регулируют потенциометром R1. При условии равенства номиналов резистивных делителей напряжения R3–R7 шкала разбиения выходных напряжений устройства линейна.
![]() | |
| Рисунок 4. | Использование линейки компараторов для создания регулируемого многооконного фильтра напряжений с равномерным шагом разбиения диапазона. |
Для обеспечения возможности индивидуальной регулировки ширины окон выходных напряжений может быть использован входной резистивный узел линейки компараторов, показанный на Рисунке 5.
![]() | |
| Рисунок 5. | Вариант выполнения входного узла линейки компараторов с возможностью плавного регулирования ширины каждого поддиапазона выходных напряжений. |
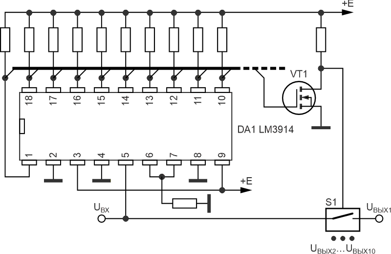
Существенно упростить создание многоканального фильтра напряжений возможно за счет использования специализированных поликомпараторных микросхем, например, LM3914, Рисунок 6. Подобные микросхемы представляют собой поликомпараторные коммутирующие устройства, плавное повышение уровня входного управляющего сигнала у которых вызывает поочередно-последовательное переключение выходных ключей. Вместо микросхемы LM3914, разумеется, могут быть использованы ее многочисленные аналоги и клоны [12].
![]() | |
| Рисунок 6. | Десятиканальный фильтр напряжений на основе специализированной поликомпараторной микросхемы LM3914. |
- Schustow M.A. Spannungswandler mit Begrenzung. Funkamateur, 2000, Bd. 49, H. 6, S. 641.
- Shustov M.A. Multichannel amplitude discriminator. Electronics World Incorporating Wireless World, 2000, V. 106, № 6 (1770), P. 458.
- Шустов М.А. Применение барьерно-резистивных элементов – баристоров в источниках питания. Радiоаматор-Электрик, 2002, № 11, С. 4–5.
- Шустов М.А., Шустов А.М. Барьерно-резистивные элементы и их применение. Приборы и системы. Управление, контроль, диагностика, 2003, № 1, С. 27–29.
- Шустов М.А. Практическая схемотехника. Полупроводниковые приборы и их применение. М.: Altex, 2004, Кн. 5, 304 с.
- Шустов М.А. Основы силовой электроники. СПб.: Наука и Техника, 2017, 336 с.
- Shustov M.A., Shustov A.M. Baristors and Symbaristors. Pioneering invention in the field of power and analogue electronics. Elektor Electronica Fast Forward Start-Up Guide 2016–2017, 2017, P. 34–36.
- Shustov M.A., Shustov A.M. Electronic Circuits for All. London: Elektor International Media BV, 2017, 397 p.; Elektronika za sve: Priručnik praktične elektronike, Niš: Agencija EHO, 2018, 392 St.
- Shustov M.A., Shustov A.M., Giesberts T. Three Baristor circuits for experimentation. ElektorLabs. Project Essentials, September 24, 2018.
- Shustov M.A., Shustov A.M. AC-in, DC-out Baristors. ElektorLabs, 2019, Vol. 45, № 4 (496), P. 84–89.
- Шустов М.А. Баристорные регуляторы напряжения. Радиоаматор, 2019, № 7–8, С. 14–15.
- Шустов М.А. Реле номинального напряжения, тока и мощности. РадиоЛоцман, 2020, № 3, С. 52–54.
- Шустов М.А. Регулируемые источники постоянного напряжения баристорного типа. Радиолюбитель, 2025, № 7, С. 32–33.








